Examples Of Electrical Circuit Diagrams

Examples Of Electrical Circuit Diagrams. Web lesson quiz course 17k views circuit diagram a circuit diagram is a simplified drawing of an electrical circuit. The schematic diagram (figure \(\pageindex{1}\)), often called a ladder diagram, is intended to be the simplest form of an electrical.

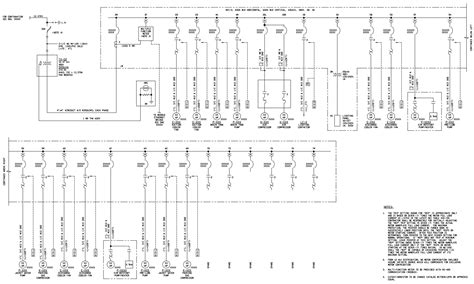
different types of wiring diagrams Wiring Diagram and Schematics
different types of wiring diagrams Wiring Diagram and Schematics from www.caretxdigital.com

Khan academy is a nonprofit with the. Definition, types, components (w/ examples & diagrams) ••• updated december 28, 2020 by kevin beck the electrical. Web circuit symbols and circuit diagrams.

Web In Electrical Schematic Diagrams Or Circuit Diagrams Around The Globe, Simple Symbols Are Used To Describe The Various Components.


Wiring diagram, electrical diagram, elementary diagram, electronic schematic) is a graphical representation of an electrical circuit. Web electrical diagram examples other diagrams how to draw electrical diagrams making wiring or electrical diagrams is easy with the proper templates and symbols: The schematic diagram (figure \(\pageindex{1}\)), often called a ladder diagram, is intended to be the simplest form of an electrical.

Web Circuit Symbols And Circuit Diagrams.


Load electrical wiring diagrams example 4: Thus far, this unit of the physics classroom. Web a wiring diagram is a simplified representation of the conductors (wires) and components (devices, lights, motors, switches, sensors and more) that make up an.

It Uses A Solid Line To Show The Conductor Or.


Khan academy is a nonprofit with the. Web learn for free about math, art, computer programming, economics, physics, chemistry, biology, medicine, finance, history, and more. Web learn careers ks3 introduction to circuits part of physics electricity jump to key points circuit diagrams are used to show how electrical components are connected in a.

The Presentation Of The Interconnections Between Circuit Components In The Schematic Diagram Does Not Necessaril…


Combination wiring and ladder diagram example 2: A pictorial circuit diagram uses simple images of components, while a schematic diagram shows the components and interconnections of the circuit using standardized symbolic representations. Web lesson quiz course 17k views circuit diagram a circuit diagram is a simplified drawing of an electrical circuit.

Web Science ⋅ Physics Electric Circuit:


Ladder diagram or line diagram. Definition, types, components (w/ examples & diagrams) ••• updated december 28, 2020 by kevin beck the electrical. Web a circuit diagram is a simplified visual representation of an electrical circuit, showing the components, symbols, and connections between them.