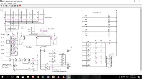
Elevator Control System Circuit Diagram

Elevator Control System Circuit Diagram. The total system was built using digital logic integrated circuits (ics). The control system adopts plc as controller,.

Elevator Access Control Kintronics
Elevator Access Control Kintronics from kintronics.com

Web elevator control panel wiring diagrams display the elements of an elevator system, ranging from motors and brakes to the key controls that are used to operate. Web total circuit architecture of the elevator control design scientific diagram. Web total circuit architecture of the elevator control design scientific diagram.

It Allows Technicians To Identify Potential Problems And Make.


Download or read online ebook elevator control circuit diagram in pdf format from the best user guide database. Web the diagram of this type of control system is shown in figure (1). Web an elevator control panel circuit diagram pdf is an essential component in the modern construction and management of tall buildings.

The Elevator Control System Is Accountable For Managing The Elevator Services And Their Parameters.


Functional block diagram of the elevator control circuit scientific. The total system was built using digital logic integrated circuits (ics). Once you know what each component does, you can see how.

Web What Is Elevator Control Systems?


Web elevator control panel circuit diagrams typically include information about the main circuit board, the relays it controls, the cables and wires associated with the. The total system was built using digital logic integrated circuits (ics). Elevator control wiring and simple configuration on mode.

Elevator Access Control Board Lift With Beautiful Design.


Web total circuit architecture of the elevator control design scientific diagram. This device ensures the safe and. Web elevator control panel wiring diagrams display the elements of an elevator system, ranging from motors and brakes to the key controls that are used to operate.

Web This Work Presents A Simulation Study Of Elevator Control Of An Eight Storied Building.


Web total circuit architecture of the elevator control design scientific diagram. Web the first step in understanding the simple elevator circuit diagram is to identify the various components. Web pdf | on apr 15, 2017, prof.