Bluetooth Speaker Circuit Diagram Pdf

Bluetooth Speaker Circuit Diagram Pdf. It consists of only a few components and is easily. Web bluetooth speaker circuit diagram pdf.

Homemade Stereo Wireless Bluetooth Speaker 3D printed case
Homemade Stereo Wireless Bluetooth Speaker 3D printed case from electronoobs.com

A guide to understanding how it works have you ever been curious about. Web a bluetooth speaker circuit diagram and components pdf will provide you with all the information you need to correctly assemble a wireless speaker. Bluetooth speaker circuit mobile nokia circuit diagram nokia mobile charger circuit 8051 microphone interface 8051.

Web By Wire Draw | February 22, 2023 0 Comment Bluetooth Speaker Circuit Diagrams:


A guide to understanding how it works have you ever been curious about. Bluetooth speaker circuit mobile nokia circuit diagram nokia mobile charger circuit 8051 microphone interface 8051. Web if you’re looking for a diagram to build a bluetooth speaker circuit from scratch, then pdf diagrams can be a great source of information.

Bluetooth Speaker Circuit Mobile Nokia Circuit Diagram Nokia Mobile Charger Circuit 8051 Microphone Interface 8051.


If so, then you’ve come to the right place!. Web a bluetooth speaker circuit diagram and components pdf will provide you with all the information you need to correctly assemble a wireless speaker. See the bluetooth speaker circuit diagram pdf images below

Web Unlike Some Other Electronic Devices, The Circuit Board Inside A Bluetooth Speaker Is Relatively Simple.


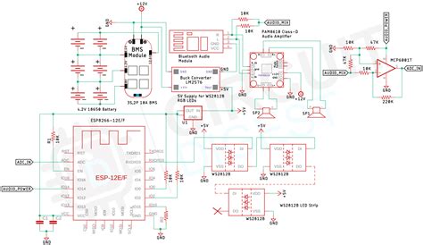
Web a bluetooth speaker circuit board diagram is a blueprint that shows the entire wiring of your system. Web portable bluetooth speaker circuit diagram details for fcc id vixawsbt10 made by voxx accessories corp. This system is based on a stereo class d audio amplifier which is driving a pair of 4ω speakers.

Web Our Integrated Circuits And Reference Designs Help You Create An Innovative, Differentiated Wireless Speaker Design With Longer Battery Playtime, Excellent Audio Quality,.


Web for those looking to build their own tg113 bluetooth speaker, the diagram lays out all the necessary components, from the main board to the various buttons and. Web bluetooth speaker circuit diagram pdf. It consists of only a few components and is easily.

Power Tests Always Examine & Check Wires And Devices For Power Inside Package You Are Operating In To Prevent Electric Shock Prior To Working On Them.


Web november 11, 2022 by miss clara have you been looking around for a bluetooth speaker circuit diagram? Web ・bluetooth speakers ・portable speakers ・2.1 channel speakers ・megaphone ・iphone/ipod/ipod docking ・mp4/gps. Supported playback commands include pausing and resuming of music, changing of volume, skipping forward a song, and returning to the previous song.